环境工程专业人才培养方案
来源:BV伟德官方网站 时间:2024-07-09 点击数:
环境工程专业人才培养方案
(Environmental Engineering)
(2023年)
一、专业基本信息
学科门类: |
工学 |
专业代码:082502 |
授予学位: |
工学学士 |
修业年限: |
标准学制4年,修业年限3-6年。 |
毕业学分要求: |
159学分 |
|
|
二、培养目标与培养要求
1.培养目标
本专业培养德、智、体、美、劳等全面发展的,面向区域废水、废气、固体废物及其它污染的控制和治理行业一线,具有解决环境工程问题能力的高素质应用型人才。
本专业培养的员工应扎实掌握环境工程专业基本知识、基本理论和基本技能,具有一定的环境工程领域的研究、设计、开发、施工和管理规划方面的能力,能在环保、工矿企业、设计单位、科研单位等部门,从事环境污染控制、监测、规划、设计、管理和研究开发等方面工作。
毕业后,经过5年左右的工程实践,在职业和专业成就方面应能达到以下目标:
目标1:能够熟练运用数学、自然科学、工程等基本知识和环境工程专业知识与技术,分析环境等相关领域的复杂工程技术问题、提出系统性方案并予以解决;
目标2:能够运用环境工程专业理论知识与技能,解决实际技术问题,能正确理解、预测和评价环境工程等活动对环境、社会可持续发展的影响,提出解决方案并有效实施;
目标3:具有良好的沟通交流能力、管理能力和执行能力,富有团队精神,能够带动工程实践项目的有效实施;
目标4:具备良好的人文道德素养、职业道德素质和社会责任感,能够在工程实践中坚持可持续发展与公众利益优先原则,成为责任意识好、专业基础实、职业素养优、创新能力强、发展潜力大的社会主义事业合格建设者和可靠接班人;
目标5:具有通识底蕴和国际视野,拥有终身学习和自我拓展的能力,能够不断跟踪国内外先进环境工程技术和行业发展,成为适应经济社会发展需要的高素质应用型人才。
2.毕业要求
本专业要求员工具有坚定的社会主义政治方向、良好的专业素养和健康的身心素质,系统掌握环境工程等方面的基本理论知识和环境工程实验技能,熟悉科学研究与工程设计方法,了解工程实践与计算机应用,了解环境行业相关标准和法律法规,具备一定的分析和解决实际问题的核心能力。毕业五年后员工能够达到的职业和专业成就包括:跟踪专业前沿技术,具备实践能力和创新意识;能够团队协作和有效沟通,在团队中发挥作用;凭借扎实的专业知识和丰富的实践经验,能够有效地解决各种复杂的环境问题,为企业创造可观的经济效益和环境效益。同时,在政府生态环境部门中发挥关键作用,参与制定和执行环境保护政策,推动区域环境质量的持续改善。
毕业能力要求及其指标点分解:
毕业能力要求 |
指标点 |
毕业要求 1: 工程知识。 能够将数学、自然科学、计算、工程基础和环境工程专业知识用于解决环境及相关领域的复杂工程问题。 |
1-1.能将数学、自然科学、工程科学和环境工程专业语言工具用于环境工程及相关领域工程问题的表述; |
1-2.能运用数学、自然科学、工程科学和环境工程专业知识,针对环境工程及相关领域的具体工程问题建立模型并求解; |
1-3.能够将自然科学、工程科学和环境工程专业知识和数学模型方法推演、分析环境及相关领域工程应用中的复杂工程问题; |
1-4.能够运用自然科学、工程科学和环境工程专业知识和数学模型方法,对环境及相关领域中的复杂工程问题的解决方案进行比较和综合。 |
毕业要求 2: 问题分析。 能够应用数学、自然科学和环境工程科学的第一性原理,识别、表达并通过文献研究分析环境及相关领域的复杂工程问题,综合考虑可持续发展的要求,以获得有效结论。 |
2-1.能够运用数学、自然科学、工程科学和环境工程的基本原理对环境等相关领域的复杂工程问题的关键环节进行识别和判断; |
2-2.能够运用相关科学原理和数学模型方法正确表达环境工程等相关领域的复杂工程问题; |
2-3.能认识到环境的工程问题有多种解决方案可供选择,会通过文献研究寻求可替代的解决方案; |
2-4.能够运用相关基本原理,结合文献研究,分析解决环境等相关领域中的复杂工程问题的影响因素,并得到有效结论。 |
毕业要求 3: 设计/开发解决方案。 能够针对环境相关领域的复杂工程问题开发和设计解决方案,设计满足特定需求的系统、单元(部件)或工艺流程,体现创新性,并从健康与安全、全生命周期成本与净零碳要求、法律与伦理、社会与文化等角度考虑可行性。 |
3-1.掌握环境类等相关领域过程中全周期、全流程的基本设计/开发方法和技术,了解影响设计目标和技术方案的各种因素; |
3-2.能够设计/开发环境工程等相关领域过程中满足特定需求的反应器、加工设备或制品和模具等单元(部件); |
3-.3 能够针对环境工程等相关领域的复杂工程问题设计解决方案,进行环境工程等相关领域工程中的系统或工艺流程的设计/开发, 并能够在相关环节中体现创新意识; |
3-4.在环境工程等相关领域工程改进以及复杂工程问题的解决方案的设计/开发中,能够综合考虑社会、健康、安全、法律、文化、环境以及相关政策等制约因素,保护劳动者身心健康,降低环境危害。 |
毕业要求 4: 研究。 能够基于科学原理并采用科学方法对环境工程等相关领域的复杂工程问题进行研究,包括设计实验、分析与解释数据等,并将信息进行综合得出合理有效的结论。 |
4-1.能够基于运用数学、自然科学、工程科学和专业知识,结合文献研究或相关方法,调研、分析、应用过程中复杂工程问题的解决方案; |
4-2.能够根据研究对象特征,设计并选择合理的研究路线,构建科学有效的实验方案; |
4-3.根据设计好的实验方案构建实验系统,安全地开展实验,正确地采集、整理实验数据; |
4-4.能够对实验数据和结果进行合理的分析解释,通过信息综合,归纳总结得出合理有效的结论。 |
毕业要求 5: 使用现代工具。 能够针对环境工程等相关领域的复杂工程问题,开发、选择与使用恰当的技术、资源、现代工程工具和信息技术工具,包括预测与模拟,并能够理解其局限性。 |
5-1.了解环境工程等方面常用的现代仪器、工程工具、信息技术工具、语言工具和相关软件的使用原理和方法,并理解其局限性; |
5-2.能够选择与使用恰当的仪器、信息资源、工程工具和专业模拟软件,对环境工程工艺设计等复杂工程问题进行分析、计算与设计; |
5-3.能够针对环境工程相关领域中的复杂工程问题的具体对象,开发或选用满足特定需求的现代工具,模拟和预测专业问题,并能够分析其局限性。 |
毕业要求 6: 工程与社会。 在解决复杂工程问题时,能够基于工程相关背景知识,分析和评价环境工程实践对健康、安全、环境、法律以及经济和社会可持续发展的影响,并理解应承担的责任。 |
6-1.了解环境工程等相关领域的技术标准体系、知识产权、产 业政策和法律法规, 理解不同社会文化对工程实践活动的影响; |
6-2.能够分析和评价环境工程等相关领域等工程实践对社会、健康、安全、法律、文化的影响,以及这些制约因素对项目实施的影响, 并理解应承担的责任。 |
毕业要求 7: 环境和可持续发展。 有环境工程报国、环境工程为民的意识,具有人文社会科学素养和社会责任感,能够理解和应用工程伦理,在环境工程实践中遵守工程职业道德、规范和相关法律,履行责任。 |
7-1.了解人与社会、人与自然的关系,理解环境保护和可持续发展的理念和内涵; |
7-2.能够站在环境保护和社会可持续发展的角度思考环境工程等相关领域工程实践的可持续性,评价化学环境工程施工过程中可能对人类和环境造成的损害和隐患。 |
毕业要求 8: 职业规范。 具有人文社会科学素养、社会责任感,能够在环境工程等相关领域的工程实践中理解并遵守工程职业道德和规范,履行责任。 |
8-1.理解社会主义核心价值观,树立正确的世界观、人生观、价值观,理解个人与社会的关系,了解中国国情,能够维护国家利益; |
8-2.具备良好的品德,诚实公正、诚信守则,并能在环境工程等相关领域的工程实践中自觉遵守职业道德和规范; |
8-3.理解工程师对公众的生命安全、身心健康和福祉,以及环境保护的社会责任,并能够在环境工程等相关领域的工程实践中自觉履行责任。 |
毕业要求 9: 个人和团队。 能够在多样化、多学科背景下的团队中承担个体、团队成员以及负责人的角色。 |
9-1.具有人际交往能力,能与其他学科的成员有效沟通、合作共事; |
9-2.能够在团队中独立或合作开展工作; |
9-3.具有领导能力,能够在多学科交叉的团队中组织、协调和指挥团队开展工作。 |
毕业要求 10: 沟通。 能够就环境工程等相关领域复杂工程问题与业界同行及社会公众进行有效沟通和交流,包括撰写报告和设计文稿、陈述发言、清晰表达或回应指令,并具备一定的国际视野,在跨文化背景下进行沟通和交流,理解、尊重语言和文化差异。 |
10-1.具有交流、沟通与表达能力,能就环境工程等相关领域复杂工程问题与业界同行及社会公众进行有效沟通和交流,以口头、文稿、图表等方式准确表达自己的观点,回应质疑,理解与业界同行和社会公众交流的差异性; |
10-2.了解应用环境类专业领域的国际发展趋势、研究热点,理解和尊重世界不同文化的差异性和多样性; |
10-3.具备至少一门外语的语言和书面表达能力,能够就环境工程等相关领域的专业问题在跨文化背景下进行基本沟通和交流。 |
毕业要求 11: 项目管理。 理解并掌握环境工程项目相关的管理原理与经济决策方法,并能够在多学科环境中应用。 |
11-1.理解并掌握环境工程等相关领域工程项目中涉及的工程管理原理与经济决策方法; |
11-2.了解和环境工程全周期、全流程的成本构成,理解其中涉及的工程管理与经济决策问题; |
11-3.能够在多学科环境下将工程管理与经济决策方法运用到化学品制备及化学反应工程项目的设计开发解决方案过程中。 |
毕业要求 12: 终身学习。 具有自主学习和终身学习的意识和能力,能够理解广泛的技术变革对工程和社会的影响,适应新技术变革,具有批判性思维能力。 |
12-1.具有自主学习和终身学习的意识,针对个人职业发展,自主学习,与时俱进,适应行业发展与社会进步的需求; |
12-2.具备终身学习的知识基础,具有自主学习和适应发展的能力,包括不断提升对相关技术问题的理解能力、归纳总结的能力和提出问题的能力等。 |
3.毕业要求与培养目标矩阵
毕业要求与培养目标矩阵 |
毕业要求 |
培养目标1 |
培养目标2 |
培养目标3 |
培养目标4 |
培养目标5 |
毕业要求1:工程知识 |
√ |
|
|
|
|
毕业要求2:问题分析 |
√ |
√ |
|
|
|
毕业要求3:设计/开发解决方案 |
√ |
√ |
|
|
√ |
毕业要求4:研究 |
√ |
√ |
|
|
|
毕业要求5:使用现代工具 |
√ |
√ |
|
|
√ |
毕业要求6:工程与社会 |
|
√ |
|
√ |
|
毕业要求7:环境和可持续发展 |
|
√ |
|
√ |
|
毕业要求8:职业规范 |
|
√ |
√ |
√ |
|
毕业要求9:个人和团队 |
|
|
√ |
|
|
毕业要求10:沟通 |
|
|
√ |
√ |
√ |
毕业要求11:项目管理 |
|
√ |
√ |
|
|
毕业要求12:终身学习 |
|
|
|
|
√ |
三、主干学科与相近专业
主干学科: |
环境工程 |
相近专业: |
环境科学(082503) |
四、专业核心课程
环境监测、环境工程微生物学、环境工程原理、水污染控制工程、大气污染控制工程、固体废弃物处理与处置等。
五、实践教学环节
1 |
分散性实践(实验、上机、实践):总学分 35.08;总学时:788。 |
2 |
集中性实践环节:总学分 21 ;总周数:32。 |
序号 |
课程名称 |
周数 |
学分 |
培养模式 |
(1) |
军训实践与入学教育 |
2 |
2 |
集团 |
(2) |
金工实习 |
1 |
1 |
集团 |
(3) |
劳动实践 |
1 |
1 |
集团 |
(4) |
S认识实习 |
1 |
1 |
集团+企业 |
(5) |
S专业实习 |
2 |
2 |
集团+企业 |
(6) |
S毕业实习 |
8 |
4 |
集团+企业 |
(7) |
水污染控制工程课程设计 |
1 |
1 |
集团 |
(8) |
环境仿真综合实训 |
1 |
1 |
集团 |
(9) |
环境专业实验 |
1 |
1 |
集团 |
(10) |
毕业设计(论文) |
14 |
7 |
集团+企业 |
3 |
素质拓展(第二课堂)环节:总学分 6 |
合计 |
实践学分比例:39.0% |
六、主要专业实验
无机及分析化学实验、有机化学实验、物理化学实验、环境专业实验等。
七、各模块学分、学时分配
课程性质 |
课程类别 |
学分 |
占总学分百分比(%) |
理论教学总学时 |
实践教学总学时 |
通识课程模块 |
必 修 |
49 |
30.82 |
592 |
348 |
选 修 |
8 |
5.03 |
96 |
48 |
专业基础课程模块 |
必 修 |
34.5 |
21.70 |
448 |
176 |
专业核心课程模块 |
必 修 |
23.5 |
14.78 |
288 |
88 |
专业选修课程模块 |
选 修 |
17 |
10.69 |
160 |
128 |
集中性实践环节模块 |
必 修 |
21 |
13.21 |
0 |
/ |
素质拓展(第二课堂) |
|
6 |
3.77 |
0 |
/ |
合计 |
159 |
100 |
1584 |
788 |
八、课程设置
(一)通识课程
性质 |
类别 |
课程代码 |
课程名称 |
学分 |
学时 |
理论学时 |
实践/实验学时 |
其他 |
周学时 |
开课学期 |
中文 |
英文 |
通识课程 |
必修 |
34010030 |
思想道德与法治 |
Ethics and the rule of law |
2.5 |
40 |
32 |
|
8 |
2.5 |
1 |
34010031 |
Δ中国近现代史纲要 |
Introduction to Chinese Modern and Contemporary History |
2.5 |
40 |
32 |
|
8 |
2.5 |
2 |
34010032 |
Δ马克思主义基本原理概论 |
Basic Principles of Marxism |
2.5 |
40 |
32 |
|
8 |
2.5 |
3 |
34010033 |
Δ毛泽东思想和中国特色社会主义理论体系概论 |
Introduction to Mao Zedong Thought and Theoretical System of Socialism with Chinese Characteristics I |
2.5 |
40 |
32 |
|
8 |
2.5 |
4 |
34010034 |
Δ习近平新时代中国特色社会主义思想概论 |
Xi Jinping Thought on Socialism with Chinese Characteristics for a New Era |
3 |
48 |
48 |
|
|
3 |
5 |
34010130 |
思想政治理论课实践教学(一) |
Practical Teaching of Ideological and Political Theory Course (I) |
1 |
32 |
|
32 |
|
课外完成 |
2 |
34010131 |
思想政治理论课实践教学(二) |
Practical Teaching of Ideological and Political Theory Course (II) |
1 |
32 |
|
32 |
|
课外完成 |
4 |
34010007 |
形势与政策I |
Situation and Policy I |
0.3 |
8 |
8 |
|
|
0.5 |
1 |
34010008 |
形势与政策II |
Situation and Policy II |
0.2 |
8 |
8 |
|
|
0.5 |
2 |
34010009 |
形势与政策III |
Situation and Policy III |
0.3 |
8 |
8 |
|
|
0.5 |
3 |
34010010 |
形势与政策IV |
Situation and Policy IV |
0.2 |
8 |
8 |
|
|
0.5 |
4 |
34010011 |
形势与政策 V |
Situation and PolicyV |
0.3 |
8 |
8 |
|
|
0.5 |
5 |
34010012 |
形势与政策VI |
Situation and PolicyVI |
0.2 |
8 |
8 |
|
|
0.5 |
6 |
34010013 |
形势与政策VII |
Situation and PolicyVII |
0.5 |
8 |
8 |
|
|
0.5 |
7 |
33010003 |
大学语文 |
College Chinese |
2 |
32 |
32 |
|
|
2 |
2 |
31020151 |
Δ大学英语本科(一) |
College English I |
4 |
64 |
48 |
|
16 |
4 |
1 |
31020152 |
Δ大学英语本科(二) |
College English II |
4 |
64 |
48 |
|
16 |
4 |
2 |
31020153 |
Δ大学英语本科(三) |
College English III |
2 |
32 |
32 |
|
0 |
2 |
3 |
31020154 |
Δ大学英语本科(四) |
College English IV |
2 |
32 |
32 |
|
0 |
2 |
4 |
32010011 |
大学体育I |
College Physical Education I |
1 |
36 |
|
|
36 |
2 |
1 |
32010012 |
大学体育II |
College Physical Education II |
1 |
36 |
|
|
36 |
2 |
2 |
32010013 |
大学体育III |
College Physical Education III |
1 |
36 |
|
|
36 |
2 |
3 |
32010014 |
大学体育IV |
College Physical Education IV |
1 |
36 |
|
|
36 |
2 |
4 |
35010008 |
老员工职业生涯规划 |
Career Planning for College Students |
1 |
16 |
16 |
|
|
1 |
2 |
35010009 |
就业指导 |
College Students Career Guidance |
1 |
16 |
16 |
|
|
1 |
5 |
20010001 |
老员工劳动教育 |
Labor studies for College Students |
1 |
32 |
16 |
|
16 |
1 |
1 |
01060101 |
创新创业教育 |
Innovation and entrepreneurship education |
1 |
16 |
16 |
|
|
1 |
1 |
18010080 |
军事理论 |
Military Theory |
2 |
36 |
12 |
|
24 |
2.5 |
1 |
31010026 |
老员工心理健康教育 |
Campus Mental Health |
2 |
32 |
32 |
|
|
2 |
2 |
20010003 |
老员工安全教育 |
Campus Safety |
1 |
16 |
12 |
4 |
|
1 |
2 |
12010233 |
艺术鉴赏 |
Appreciation of Arts |
2 |
32 |
32 |
|
|
2 |
2 |
30010202 |
Δ程序设计基础—Python程序设计 |
Fundamentals of programming-Python programming |
3 |
48 |
16 |
32 |
|
3 |
2 |
必修小计 |
49 |
940 |
592 |
100 |
248 |
|
|
通识限选 |
32010015 |
大学体育员工体质健康(一) |
Student physical health of college physical education(一) |
1 |
24 |
|
|
24 |
2 |
5 |
32010016 |
大学体育员工体质健康(二) |
Student physical health of college physical education(二) |
1 |
24 |
|
|
24 |
2 |
6 |
25010999 |
人文科学导论 |
Introduction to the Humanities |
1 |
16 |
16 |
|
|
1 |
1 |
25010997 |
沟通与写作 |
Communication and Writing |
1 |
16 |
16 |
|
|
1 |
1 |
25010996 |
批判性思维 |
Critical Thinking |
1 |
16 |
16 |
|
|
1 |
2 |
通识任选课 |
从经典研读与人文素养、理工技术与科学素养、艺体教育与审美鉴赏、国际视野与文明对话、实践能力与创新思维、通专融合与职业发展模块中选修3学分 |
1 |
16 |
16 |
|
|
1 |
2-7 |
1 |
16 |
16 |
|
|
1 |
2-7 |
1 |
16 |
16 |
|
|
1 |
2-7 |
|
|
选修小计 |
8 |
144 |
96 |
0 |
48 |
|
|
|
通识课程合计 |
57 |
1084 |
688 |
100 |
296 |
|
|
(二)专业课程
性质 |
类别 |
课程代码 |
课程名称 |
学分 |
学时 |
理论学时 |
实践/实验学时 |
其他 |
周学时 |
开课学期 |
中文 |
英文 |
专业基础课 |
必修 |
02012405 |
专业导学 |
An Introduction to Professions |
0.5 |
8 |
8 |
|
|
专题 |
1 |
02012406 |
高校实验室安全基础 |
Laboratory Safety Basics |
0.5 |
8 |
8 |
|
|
专题 |
1 |
31010011 |
Δ高等数学(一) |
Advanced Mathematics I |
3 |
48 |
48 |
|
|
3 |
1 |
31010012 |
Δ高等数学(二) |
Advanced Mathematics II |
3 |
48 |
48 |
|
|
3 |
2 |
31010029 |
Δ线性代数 |
Linear Algebraic |
2 |
32 |
32 |
|
|
2 |
3 |
31010108 |
Δ大学物理Ⅰ |
University PhysicsⅠ |
2 |
32 |
24 |
8 |
|
2 |
2 |
31010109 |
Δ大学物理II |
University PhysicsII |
2 |
32 |
24 |
8 |
|
2 |
3 |
02012024 |
Δ无机及分析化学 |
Inorganic and Analytical Chemistry |
4 |
64 |
64 |
|
|
4 |
1 |
02012025 |
无机及分析化学实验 |
Experiments of Inorganic Chemistry and Chemical Analysis |
1.5 |
48 |
|
48 |
|
3 |
2 |
02012401 |
Δ有机化学 |
Organic Chemistry |
4 |
64 |
64 |
|
|
4 |
3 |
02012420 |
有机化学实验 |
Experiments of Organic Chemistry |
1.5 |
48 |
|
48 |
|
3 |
3 |
02012403 |
Δ物理化学(一) |
Physical Chemistry Ⅰ |
3 |
48 |
48 |
|
|
3 |
3 |
02012409 |
Δ物理化学(二) |
Physical Chemistry II |
3 |
48 |
48 |
|
|
3 |
4 |
02011019 |
物理化学实验 |
Experiments of Physical Chemistry |
1.5 |
48 |
|
48 |
|
3 |
4 |
02012404 |
Δ工程制图及CAD |
Engineering Drawing and CAD |
3 |
48 |
32 |
|
16 |
3 |
3 |
专业基础课程合计 |
34.5 |
624 |
448 |
160 |
16 |
|
|
专业核心课 |
必修 |
02010144 |
Δ环境工程原理 |
Principle of Environmental Engineering |
3.5 |
56 |
48 |
|
8 |
4 |
4 |
02010072 |
Δ环境微生物学 |
Environmental Microorganism |
3 |
48 |
32 |
16 |
|
3 |
4 |
02010141 |
Δ环境监测 |
Environmental Monitoring |
4 |
64 |
48 |
16 |
|
4 |
4 |
02010140 |
Δ水污染控制工程 |
Water Pollution Control Engineering |
3 |
48 |
32 |
16 |
|
3 |
5 |
02010142 |
Δ固体废物处理与处置 |
Solid Waste Treatment and Disposal |
2.5 |
40 |
32 |
|
8 |
3 |
6 |
02012015 |
Δ大气污染控制工程 |
Air Pollution Control Engineering |
3 |
48 |
32 |
|
16 |
3 |
5 |
02012305 |
Δ物理性污染控制 |
Physical Pollution Control |
2 |
32 |
32 |
|
|
2 |
6 |
02010143 |
Δ环境影响评价 |
Environmental Impact Assessment |
2.5 |
40 |
32 |
|
8 |
3 |
6 |
专业核心课程合计 |
23.5 |
376 |
288 |
48 |
40 |
|
|
专业选修课 |
选修 |
02012301 |
Δ环境仪器分析 |
Environmental Instrumental Analysis |
3 |
48 |
32 |
16 |
|
3 |
4 |
02012304 |
Δ环境化学 |
Environmental Chemistry |
3 |
48 |
32 |
|
16 |
3 |
6 |
02010088 |
B环境工程专业英语 |
Professional English for Environmental Engineering |
2 |
32 |
32 |
|
|
2 |
5 |
02012421 |
化工计算机应用 |
Chemical Computer Application |
1 |
32 |
|
|
32 |
2 |
6 |
02012108 |
文献检索与科技论文写作 |
Scientific Paper Writing |
2 |
32 |
16 |
|
16 |
2 |
6 |
02012021 |
环境规划与管理 |
Environmental Planning and Management |
2 |
32 |
32 |
|
|
2 |
7 |
02012101 |
Δ化工安全与环保 |
Chemical Safety and Environmental Protection |
2 |
32 |
16 |
|
16 |
2 |
4 |
02011072 |
环境法学 |
Environmental Law |
2 |
32 |
32 |
|
|
2 |
7 |
02011057 |
绿色化学 |
Green Chemistry |
2 |
32 |
32 |
|
|
2 |
6 |
02010034 |
Δ仪器分析 |
Instrumental Analysis |
3 |
48 |
32 |
16 |
|
3 |
3 |
02012303 |
Δ生物化学 |
Biochemistry |
4 |
64 |
48 |
16 |
|
4 |
5 |
专业选修课程合计 |
17 |
288 |
160 |
48 |
80 |
|
|
(三)素质拓展(第二课堂)
性质 |
课程名称 |
学分 |
学期 |
中文 |
英文 |
素质拓展(第二课堂) |
创新创业实践教育 |
Innovation and Entrepreneurship Education Practice |
1 |
1--8 |
社会实践与道德素养 |
Social Practice and Moral Accomplishment |
2 |
1--8 |
创新创业竞赛 |
Innovation and Entrepreneurship Education |
2 |
1--8 |
参加老员工社团活动 |
Student Association Activities |
1 |
1--8 |
专业技能训练 |
Professional Skill Training |
2 |
1--8 |
听取学术报告或讲座 |
Academic Report or Lecture |
1 |
1--8 |
获得学术或创新成果 |
Academic or Innovative Achievements |
3 |
1--8 |
参加老员工学科竞赛 |
Participate in University Student Discipline Competition |
2 |
1--8 |
获得艺术或体育奖项 |
Arts or Sports Awards |
2 |
1--8 |
考取技能证书或职业资格证书 |
Skill Certificate or Professional Qualification Certificate |
2 |
1--8 |
参与教师研究课题 |
Research Projects |
1 |
1--8 |
参与各类志愿者服务活动 |
Volunteer Service Activities |
2 |
1--8 |
公开发表与专业相关论文 |
Published Papers |
2 |
1--8 |
合计 |
6 |
|
注:员工在校期间,创新创业实践教育必须完成1学分。
九、集中性实践环节
性 质 |
类 别 |
序号 |
课程代码 |
课程名称 |
学分 |
周数 |
开课学期 |
中文 |
英文 |
集中性实践环节 |
实践、实习 |
1 |
02010038 |
军训实践与入学教育 |
Military Training |
2 |
2 |
1 |
2 |
04010003 |
劳动实践 |
Metal Working Practice |
1 |
1 |
3 |
3 |
02011204 |
S认识实习 |
Labor Practice |
1 |
1 |
3 |
4 |
032103340179 |
金工实习 |
Practice of Engineering Cognition |
1 |
1 |
4 |
5 |
02030024 |
S专业实习 |
Professional Practice |
2 |
2 |
6 |
6 |
02012410 |
S毕业实习 |
Graduation Practice |
4 |
8 |
8 |
小计 |
11 |
15 |
|
课程设计 |
1 |
02010146 |
水污染控制工程课程设计 |
Course Design of Water Pollution Control Engineering |
1 |
1 |
5 |
小计 |
1 |
1 |
|
专业实验 |
1 |
02011203 |
环境仿真综合实训 |
Comprehensive Training of EnvironmentalSimulation |
1 |
1 |
7 |
2 |
02010155 |
环境专业实验 |
Environmental specialized experiment |
1 |
1 |
6 |
小计 |
2 |
2 |
|
其他 |
1 |
02010049 |
毕业设计(论文) |
Graduation Design (Thesis) |
7 |
14 |
8 |
小计 |
7 |
14 |
|
合计 |
21 |
32 |
|
说明:1.课程名称前有符号“Δ”的为考试课程。
2.课程名称前有符号“S”的为校企合作课程。
3.课程名称前有符号“H”的为数字化课程。
4.课程名称前有符号“B”的为双语课程。
十、附件
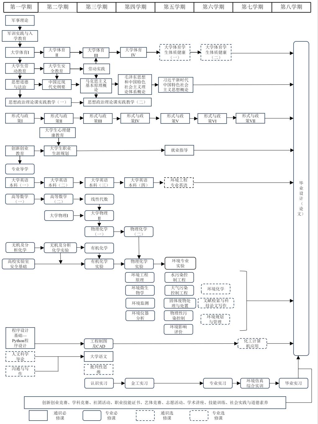
附件1:各学期教学安排
附件2:课程体系配置图
附件3:主要课程与毕业能力要求关系矩阵图
附件1
环境工程专业各学期教学计划安排表
第一学期 |
|
序号 |
课程类别 |
课程代码 |
课程名称 |
学分 |
周学时 |
起讫周次 |
|
1 |
集中实践 |
02010038 |
军训实践与入学教育 |
2 |
2 |
2-3 |
|
2 |
通识必修 |
34010030 |
思想道德与法治 |
2.5 |
2.5 |
3- 8 |
|
3 |
通识必修 |
34010007 |
形势与政策 I |
0.3 |
0.5 |
3- 8 |
|
4 |
通识必修 |
31020151 |
Δ大学英语本科(一) |
4 |
4 |
3- 8 |
|
5 |
通识必修 |
32010011 |
大学体育 I |
1 |
2 |
3- 8 |
|
6 |
通识必修 |
20010001 |
老员工劳动教育 |
1 |
1 |
3- 8 |
|
7 |
通识必修 |
01060101 |
创新创业教育 |
1 |
1 |
3- 8 |
|
8 |
通识必修 |
18010080 |
军事理论 |
2 |
2.5 |
3- 18 |
|
9 |
通识选修 |
25010999 |
人文科学导论 |
1 |
1 |
3- 8 |
|
10 |
通识选修 |
25010997 |
沟通与写作 |
1 |
1 |
3-18 |
|
11 |
专业必修 |
02012405 |
专业导学 |
0.5 |
专题 |
3- 8 |
|
12 |
专业必修 |
31010011 |
Δ高等数学(一) |
3 |
3 |
3- 8 |
|
13 |
专业必修 |
02012024 |
Δ无机及分析化学 |
4 |
4 |
3- 8 |
|
14 |
专业必修 |
02012406 |
高校实验室安全基础 |
0.5 |
0.5 |
3- 8 |
|
小计 |
23.8 |
25.5 |
|
|
第二学期 |
|
序号 |
课程类别 |
课程代码 |
课程名称 |
学分 |
周学时 |
起讫周次 |
|
1 |
通识必修 |
34010031 |
Δ中国近现代史纲要 |
2.5 |
2.5 |
1-10 |
|
2 |
通识必修 |
34010130 |
思想政治理论课实践教学(一) |
1 |
|
1-16 |
|
3 |
通识必修 |
34010008 |
形势与政策II |
0.2 |
0.5 |
1-16 |
|
4 |
通识必修 |
31020152 |
Δ大学英语本科(二) |
4 |
4 |
1-16 |
|
5 |
通识必修 |
32010012 |
大学体育II |
1 |
2 |
1-16 |
|
6 |
通识必修 |
35010008 |
老员工职业生涯规划 |
1 |
1 |
1-16 |
|
7 |
通识必修 |
31010026 |
老员工心理健康教育 |
2 |
2 |
1-16 |
|
8 |
通识必修 |
20010003 |
老员工安全教育 |
1 |
1 |
1-16 |
|
9 |
通识必修 |
12010236 |
艺术鉴赏 |
2 |
2 |
1-16 |
|
10 |
通识必修 |
30010202 |
Δ程序设计基础—Python程序设计 |
3 |
3 |
1-16 |
|
11 |
通识必修 |
33010003 |
大学语文 |
2 |
2 |
1-16 |
|
12 |
通识选修 |
25010996 |
批判性思维 |
1 |
1 |
1-16 |
|
13 |
专业必修 |
31010012 |
高等数学(二) |
3 |
3 |
1-16 |
|
14 |
专业必修 |
31010108 |
Δ大学物理Ⅰ |
2 |
2 |
1-16 |
|
15 |
专业必修 |
02012025 |
无机及分析化学实验 |
1.5 |
3 |
1-12 |
|
小计 |
27.2 |
29 |
|
|
第三学期 |
|
序号 |
课程类别 |
课程代码 |
课程名称 |
学分 |
周学 时 |
起讫 周次 |
|
1 |
通识必修 |
34010032 |
Δ马克思主义基本原理概论 |
2.5 |
2.5 |
1-10 |
|
2 |
通识必修 |
34010009 |
形势与政策III |
0.3 |
0.5 |
1-16 |
|
3 |
通识必修 |
31020153 |
Δ大学英语本科(三) |
2 |
2 |
1-16 |
|
4 |
通识必修 |
32010013 |
大学体育III |
1 |
1 |
1-8 |
|
5 |
专业必修 |
31010029 |
Δ线性代数 |
2 |
2 |
1-16 |
|
6 |
专业必修 |
31010109 |
大学物理II |
2 |
2 |
1-16 |
|
7 |
专业必修 |
02012401 |
Δ有机化学 |
4 |
4 |
1-16 |
|
8 |
专业必修 |
02012420 |
有机化学实验 |
1.5 |
3 |
1-12 |
|
9 |
专业必修 |
02012403 |
Δ物理化学(一) |
3 |
3 |
1-12 |
|
10 |
专业必修 |
02012404 |
Δ工程制图及CAD |
3 |
3 |
1-12 |
|
11 |
专业选修 |
02010034 |
Δ仪器分析 |
3 |
3 |
1-12 |
|
12 |
集中实践 |
04010003 |
劳动实践 |
1 |
|
|
|
13 |
集中实践 |
02011204 |
S认识实习 |
1 |
|
|
|
小计 |
26.3 |
26 |
|
|
第四学期 |
|
序 号 |
课程类别 |
课程代码 |
课程名称 |
学分 |
周学 时 |
起讫 周次 |
|
1 |
通识必修 |
34010033 |
Δ毛泽东思想和中国特色社会主义理论体系概论 |
2.5 |
2.5 |
1-10 |
|
2 |
通识必修 |
34010131 |
思想政治理论课实践教学(二) |
1 |
|
|
|
3 |
通识必修 |
34010010 |
形势与政策IV |
0.2 |
0.5 |
1-16 |
|
4 |
通识必修 |
31020154 |
Δ大学英语本科(四) |
2 |
2 |
1-16 |
|
5 |
通识必修 |
32010014 |
大学体育IV |
1 |
2 |
1-16 |
|
6 |
专业必修 |
02012409 |
物理化学(二) |
3 |
3 |
1-12 |
|
7 |
专业必修 |
02011019 |
物理化学实验 |
1.5 |
3 |
1-12 |
|
8 |
专业必修 |
02010144 |
Δ环境工程原理 |
3.5 |
4 |
1-16 |
|
9 |
专业必修 |
02010072 |
Δ环境微生物学 |
3 |
3 |
1-16 |
|
10 |
专业必修 |
02010141 |
Δ环境监测 |
4 |
4 |
1-16 |
|
11 |
专业选修 |
02012301 |
Δ环境仪器分析 |
3 |
3 |
1-16 |
|
12 |
专业选修 |
02012101 |
Δ化工安全与环保 |
2 |
2 |
1-16 |
|
13 |
集中实践 |
032103340179 |
金工实习 |
1 |
|
|
|
小计 |
27.7 |
29 |
|
|
第五学期 |
|
序号 |
课程类别 |
课程代码 |
课程名称 |
学分 |
周学 时 |
起讫 周次 |
|
1 |
通识必修 |
34010034 |
Δ习近平新时代中国特色社会主义思想概论 |
3 |
3 |
1-12 |
|
2 |
通识必修 |
34010011 |
形势与政策V |
0.3 |
0.5 |
1-16 |
|
3 |
通识必修 |
35010009 |
就业指导 |
1 |
1 |
1-8 |
|
4 |
通识选修 |
32010015 |
大学体育员工体质健康(一) |
1 |
2 |
1-16 |
|
5 |
专业必修 |
02010140 |
Δ水污染控制工程 |
3 |
3 |
1-16 |
|
6 |
专业必修 |
02012015 |
Δ大气污染控制工程 |
3 |
3 |
1-16 |
|
7 |
专业选修 |
02010088 |
B环境工程专业英语 |
2 |
2 |
1-16 |
|
8 |
专业选修 |
02012303 |
Δ生物化学 |
4 |
4 |
1-16 |
|
9 |
集中实践 |
02010146 |
水污染控制工程课程设计 |
1 |
|
|
|
小计 |
18.3 |
18.5 |
|
|
第六学期 |
|
序号 |
课程类别 |
课程代码 |
课程名称 |
学分 |
周学时 |
起讫周次 |
|
1 |
通识必修 |
34010012 |
形势与政策VI |
0.2 |
0.5 |
1-16 |
|
2 |
通识选修 |
32010016 |
大学体育员工体质健康(二) |
1 |
2 |
1-16 |
|
3 |
专业必修 |
02010142 |
Δ固体废物处理与处置 |
2.5 |
3 |
1-16 |
|
4 |
专业必修 |
02012305 |
Δ物理性污染控制 |
2 |
2 |
1-16 |
|
5 |
专业必修 |
02010143 |
Δ环境影响评价 |
2.5 |
3 |
1-16 |
|
6 |
专业选修 |
02012304 |
Δ环境化学 |
3 |
3 |
1-16 |
|
7 |
专业选修 |
02012108 |
文献检索与科技论文写作 |
2 |
2 |
1-16 |
|
8 |
专业选修 |
02011057 |
绿色化学 |
2 |
2 |
1-16 |
|
9 |
专业选修 |
02012421 |
化工计算机应用 |
1 |
2 |
1-16 |
|
10 |
集中实践 |
02030024 |
S专业实习 |
2 |
2 |
|
|
11 |
集中实践 |
02010155 |
环境专业实验 |
1 |
|
|
|
小计 |
19.2 |
21.5 |
|
|
第七学期 |
序号 |
课程类别 |
课程代码 |
课程名称 |
学分 |
周学时 |
起讫周次 |
1 |
通识必修 |
34010013 |
形势与政策VII |
0.5 |
0.5 |
1-16 |
2 |
专业选修 |
02012021 |
环境规划与管理 |
2 |
2 |
1-16 |
3 |
专业选修 |
02011072 |
环境法学 |
2 |
2 |
1-16 |
4 |
集中实践 |
02011203 |
环境仿真综合实训 |
1 |
|
|
小计 |
5.5 |
4.5 |
|
第八学期 |
序号 |
课程类别 |
课程代码 |
课程名称 |
学分 |
周学时 |
起讫周次 |
1 |
集中实践 |
02030024 |
S毕业实习 |
4 |
8 |
1-8 |
2 |
集中实践 |
02010049 |
毕业设计(论文) |
7 |
14 |
1-14 |
小计 |
11 |
22 |
|
附件 2
课程体系配置图

附件3
主要课程与毕业能力要求关系矩阵图(相关性强 H,相关性中 M,相关性弱 L)
Correlation Matrix between Key Courses and Graduation Requirements(High Correlation—H, Medium Correlation—M, Low Correlation—L)
|
毕业能力 1 Requirement 1 |
毕业能力 2 Requirement 2 |
毕业能力 3 Requirement 3 |
毕业能力 4 Requirement 4 |
毕业能力 5 Requirement 5 |
毕业能力6 Requirement 6 |
毕业能力7 Requirement 7 |
毕业能力 8 Requirement 8 |
毕业能力 9 Requirement 9 |
毕业能力 10 Requirement 10 |
毕业能力11 Requireent 11 |
毕业能力12 Requirement 12 |
1.1 |
1.2 |
1.3 |
1.4 |
2.1 |
2.2 |
2.3 |
2.4 |
3.1 |
3.2 |
3.3 |
3.4 |
4.1 |
4.2 |
4.3 |
4.4 |
5.1 |
5.2 |
5.3 |
6.1 |
6.2 |
7.1 |
7.2 |
8.1 |
8.2 |
8.3 |
9.1 |
9.2 |
9.3 |
10.1 |
10.2 |
10.3 |
11.1 |
11.2 |
11.3 |
12.1 |
12.2 |
思想道德与法治 |
|
|
|
|
|
|
|
|
|
|
|
|
|
|
|
|
|
|
|
|
|
|
|
H |
M |
L |
|
|
|
|
|
|
|
|
|
|
|
Δ中国近现代史纲要 |
|
|
|
|
|
|
|
|
|
|
|
|
|
|
|
|
|
|
|
|
|
|
|
H |
M |
L |
|
|
|
|
|
|
|
|
|
|
|
Δ马克思主义基本原理概论 |
|
|
|
|
|
|
|
|
|
|
|
|
|
|
|
|
|
|
|
|
|
|
|
M |
H |
L |
|
|
|
|
|
|
|
|
|
|
|
Δ毛泽东思想和中国特色社会主义理论体系概论 |
|
|
|
|
|
|
|
|
|
|
|
|
|
|
|
|
|
|
|
|
|
|
|
M |
H |
M |
|
|
|
|
|
|
|
|
|
|
|
Δ习近平新时代中国特色社会主义思想概论 |
|
|
|
|
|
|
|
|
|
|
|
|
|
|
|
|
|
|
|
|
|
|
|
L |
M |
H |
|
|
|
|
|
|
|
|
|
|
|
思想政治理论课实践教学(一) |
|
|
|
|
|
|
|
|
|
|
|
|
|
|
|
|
|
|
|
|
|
|
|
H |
L |
M |
|
|
|
|
|
|
|
|
|
|
|
思想政治理论课实践教学(二) |
|
|
|
|
|
|
|
|
|
|
|
|
|
|
|
|
|
|
|
|
|
|
|
H |
L |
M |
|
|
|
|
|
|
|
|
|
|
|
形势与政策Ⅰ |
|
|
|
|
|
|
|
|
|
|
|
|
|
|
|
|
|
|
|
|
|
|
|
|
|
H |
|
|
|
|
|
|
|
|
|
|
|
形势与政策 II |
|
|
|
|
|
|
|
|
|
|
|
|
|
|
|
|
|
|
|
|
|
|
|
|
|
H |
|
|
|
|
|
|
|
|
|
|
|
形势与政策 III |
|
|
|
|
|
|
|
|
|
|
|
|
|
|
|
|
|
|
|
|
|
|
|
|
|
H |
|
|
|
|
|
|
|
|
|
|
|
形势与政策 IV |
|
|
|
|
|
|
|
|
|
|
|
|
|
|
|
|
|
|
|
|
|
|
|
|
|
H |
|
|
|
|
|
|
|
|
|
|
|
形势与政策 V |
|
|
|
|
|
|
|
|
|
|
|
|
|
|
|
|
|
|
|
|
|
|
|
|
|
H |
|
|
|
|
|
|
|
|
|
|
|
形势与政策 VI |
|
|
|
|
|
|
|
|
|
|
|
|
|
|
|
|
|
|
|
|
|
|
|
|
|
H |
|
|
|
|
|
|
|
|
|
|
|
形势与政策Ⅶ |
|
|
|
|
|
|
|
|
|
|
|
|
|
|
|
|
|
|
|
|
|
|
|
|
|
H |
|
|
|
|
|
|
|
|
|
|
|
大学体育I |
|
|
|
|
|
|
|
|
|
|
|
|
|
|
|
|
|
|
|
|
|
|
|
|
|
|
L |
M |
|
|
|
|
|
|
|
H |
|
大学体育II |
|
|
|
|
|
|
|
|
|
|
|
|
|
|
|
|
|
|
|
|
|
|
|
|
|
|
L |
M |
|
|
|
|
|
|
|
H |
|
大学体育III |
|
|
|
|
|
|
|
|
|
|
|
|
|
|
|
|
|
|
|
|
|
|
|
|
|
|
L |
M |
|
|
|
|
|
|
|
H |
|
大学体育IV |
|
|
|
|
|
|
|
|
|
|
|
|
|
|
|
|
|
|
|
|
|
|
|
|
|
|
L |
M |
|
|
|
|
|
|
|
H |
|
大学语文 |
|
|
|
|
|
|
|
|
|
|
|
|
|
|
|
|
|
|
|
|
|
|
|
M |
L |
|
H |
|
|
H |
|
|
|
|
|
|
|
Δ大学英语本科(一) |
|
|
|
|
|
|
|
|
|
|
|
|
|
|
|
|
|
|
|
|
|
|
|
L |
|
|
|
|
|
|
|
H |
|
|
|
|
|
Δ大学英语本科(二) |
|
|
|
|
|
|
|
|
|
|
|
|
|
|
|
|
|
|
|
|
|
|
|
L |
|
|
|
|
|
|
|
H |
|
|
|
|
|
Δ大学英语本科(三) |
|
|
|
|
|
|
|
|
|
|
|
|
|
|
|
|
|
|
|
|
|
|
|
L |
|
|
|
|
|
|
|
H |
|
|
|
|
|
Δ大学英语本科(四) |
|
|
|
|
|
|
|
|
|
|
|
|
|
|
|
|
|
|
|
|
|
|
|
L |
|
|
|
|
|
|
|
H |
|
|
|
|
|
老员工职业生涯规划 |
|
|
|
|
|
|
|
|
|
|
|
|
|
|
|
|
|
|
|
|
|
M |
|
H |
|
|
L |
L |
L |
|
|
|
|
|
|
|
|
就业指导 |
|
|
|
|
|
|
|
|
|
|
|
|
|
|
|
|
|
|
|
|
|
M |
|
H |
|
|
L |
L |
L |
|
|
|
|
|
|
|
|
老员工劳动教育 |
|
|
|
|
|
|
|
|
|
|
|
|
|
|
|
|
|
|
|
|
|
M |
|
|
|
|
|
M |
|
|
|
|
|
|
|
L |
|
创新创业教育 |
|
|
|
|
|
|
|
|
|
|
|
|
|
|
|
|
|
|
|
|
|
|
|
|
|
|
|
|
H |
|
M |
|
|
|
|
H |
|
军事理论 |
|
|
|
|
|
|
|
|
|
|
|
|
|
|
|
|
|
|
|
|
|
|
|
M |
|
|
|
|
|
|
|
|
|
|
|
|
|
老员工心理健康教育 |
|
|
|
|
|
|
|
|
|
|
|
|
|
|
|
|
|
|
|
|
|
|
|
|
|
|
M |
M |
|
L |
|
|
|
|
|
|
|
老员工安全教育 |
|
|
|
|
|
|
|
|
|
|
|
M |
|
|
|
|
|
|
|
|
L |
|
|
|
|
L |
|
|
|
|
|
|
|
|
|
|
|
艺术鉴赏 |
|
|
|
|
|
|
|
|
|
|
|
L |
|
|
|
|
|
|
|
|
|
|
|
|
|
|
|
|
|
|
|
|
|
|
|
|
|
Δ程序设计基础—Python 程序设计 |
|
|
|
|
|
|
|
|
|
|
|
|
|
|
|
|
L |
|
|
|
|
|
|
|
|
|
|
|
|
H |
|
|
|
|
|
L |
|
大学体育员工体质健康(一) |
|
|
|
|
|
|
|
|
|
|
|
|
|
|
|
|
|
|
|
|
|
|
|
|
|
|
L |
M |
|
|
|
|
|
|
|
H |
|
大学体育员工体质健康 (二) |
|
|
|
|
|
|
|
|
|
|
|
|
|
|
|
|
|
|
|
|
|
|
|
|
|
|
L |
M |
|
|
|
|
|
|
|
H |
|
人文科学导论 |
|
|
|
|
|
|
|
|
|
|
|
|
|
|
|
|
|
|
|
|
|
H |
|
H |
M |
|
|
|
|
|
|
|
|
|
|
M |
|
沟通与写作 |
|
|
|
|
|
|
|
|
|
|
|
|
|
|
|
|
|
|
|
|
|
|
|
|
|
|
H |
M |
L |
H |
|
|
|
|
|
|
|
批判性思维 |
|
|
|
|
|
|
|
|
|
|
|
|
|
|
|
|
|
|
|
|
|
M |
|
M |
M |
|
|
|
|
|
|
|
|
|
|
|
H |
专业导学 |
|
|
|
|
|
|
|
|
|
|
|
|
|
|
|
|
|
|
|
H |
|
|
|
|
|
|
|
|
|
|
|
|
|
|
|
M |
|
高校实验室安全基础 |
|
|
|
|
|
|
|
|
|
|
|
H |
|
|
M |
|
|
|
|
|
|
|
|
|
|
|
|
|
|
|
|
|
|
|
|
|
|
Δ高等数学(一) |
H |
H |
|
|
H |
|
|
|
|
|
|
|
H |
|
|
|
|
|
|
|
|
|
|
|
|
|
|
|
|
|
|
|
|
|
|
|
|
Δ高等数学(二) |
H |
H |
|
|
H |
|
|
|
|
|
|
|
H |
|
|
|
|
|
|
|
|
|
|
|
|
|
|
|
|
|
|
|
|
|
|
|
|
Δ线性代数 |
L |
|
|
|
|
|
|
|
|
|
|
|
L |
|
|
|
|
|
|
|
|
|
|
|
|
|
|
|
|
|
|
|
|
|
|
|
|
Δ大学物理I |
|
M |
|
L |
L |
|
|
|
|
|
|
|
|
L |
L |
|
|
M |
|
|
|
|
|
|
|
|
|
|
|
|
|
|
|
|
|
|
|
Δ大学物理II |
|
M |
|
L |
L |
|
|
|
|
|
|
|
|
L |
L |
|
|
M |
|
|
|
|
|
|
|
|
|
|
|
|
|
|
|
|
|
|
|
Δ无机及分析化学 |
|
|
|
|
H |
|
|
|
|
|
|
|
|
|
|
|
H |
M |
|
|
|
|
|
|
|
|
|
|
|
|
|
|
|
|
|
|
|
无机及分析化学实验 |
|
|
|
|
|
|
|
|
|
|
|
|
|
H |
H |
H |
|
|
|
|
|
|
|
|
|
|
|
M |
|
|
|
|
|
|
|
|
|
Δ有机化学 |
|
|
M |
|
|
H |
|
|
|
|
|
|
|
|
|
L |
|
|
|
|
|
|
|
|
|
|
|
|
|
|
|
|
|
|
|
|
|
有机化学实验 |
|
|
|
|
|
|
|
|
|
|
|
|
|
H |
H |
H |
|
|
|
|
|
|
|
|
|
|
|
M |
|
|
|
|
|
|
|
|
|
Δ物理化学(一) |
|
|
L |
|
|
H |
|
M |
|
|
|
|
|
|
|
|
|
|
|
|
|
|
|
|
|
|
|
|
|
|
|
|
|
|
|
|
|
Δ物理化学(二) |
|
|
L |
|
|
H |
|
M |
|
|
|
|
|
|
|
|
|
|
|
|
|
|
|
|
|
|
|
|
|
|
|
|
|
|
|
|
|
物理化学实验 |
|
|
|
|
|
|
|
M |
|
|
|
|
|
|
H |
H |
|
|
|
|
|
|
L |
|
|
|
|
M |
|
|
|
|
|
|
|
|
|
Δ工程制图及CAD |
M |
|
|
|
|
|
|
|
|
M |
|
|
|
|
|
|
|
H |
|
|
|
|
|
|
|
|
|
|
|
|
|
|
|
|
|
|
|
Δ环境工程原理 |
|
|
M |
|
|
H |
|
|
|
|
|
|
|
|
|
L |
|
|
|
|
|
|
|
|
|
|
|
|
|
|
|
|
|
|
|
|
|
Δ环境微生物学 |
|
|
|
|
|
L |
M |
|
|
|
|
|
|
|
|
|
|
|
|
|
|
|
|
H |
|
|
|
|
|
|
|
|
|
|
|
|
|
Δ环境监测 |
|
|
|
|
|
|
|
M |
|
|
|
|
|
|
|
L |
|
|
M |
|
|
H |
|
|
|
|
|
|
|
|
|
|
|
|
|
|
|
Δ水污染控制工程 |
|
|
M |
|
|
H |
|
|
|
L |
|
|
|
|
|
L |
|
|
|
|
|
|
|
|
|
|
|
|
|
|
|
|
|
|
|
|
|
Δ固体废物处理与处置 |
M |
|
|
|
|
|
|
|
M |
|
|
|
|
|
|
|
|
M |
|
|
|
H |
|
|
|
|
|
|
|
|
|
|
|
|
|
|
|
Δ大气污染控制工程 |
H |
|
|
|
|
|
|
|
M |
|
|
|
|
|
|
|
|
M |
|
|
|
|
|
|
|
|
|
|
|
|
|
|
|
|
|
|
|
Δ物理性污染控制 |
M |
|
|
|
|
|
|
|
|
|
|
|
|
|
|
|
|
M |
|
H |
|
|
|
|
|
|
|
|
|
|
|
|
|
|
|
|
|
Δ环境影响评价 |
M |
|
|
|
|
|
|
|
|
|
|
L |
|
|
|
|
|
|
|
H |
|
|
H |
|
|
|
|
|
|
|
|
|
|
|
|
|
|
Δ环境仪器分析 |
|
|
|
|
|
|
|
|
|
|
|
|
|
|
|
|
|
|
M |
H |
|
|
|
|
|
|
|
|
|
|
|
|
|
|
|
|
|
Δ环境化学 |
|
|
|
|
|
|
|
|
|
H |
|
|
|
|
|
|
H |
|
|
|
|
|
|
|
|
|
|
|
|
|
|
|
|
|
|
|
|
B环境工程专业英语 |
|
|
|
|
|
|
|
|
|
|
|
|
|
|
|
|
|
|
|
|
|
|
|
|
|
|
|
|
|
|
M |
H |
|
|
|
|
|
化工计算机应用 |
|
|
|
|
|
|
|
|
|
M |
|
|
|
|
|
|
|
|
|
|
|
|
|
|
|
|
|
M |
|
|
M |
|
|
|
|
|
|
文献检索与科技论文写作 |
|
|
|
|
|
|
|
|
M |
|
|
|
|
|
|
|
|
|
|
|
H |
|
|
|
|
|
|
|
|
|
|
|
|
|
|
|
|
环境规划与管理 |
H |
|
|
|
|
|
|
|
|
M |
|
|
|
|
|
|
|
H |
|
|
|
|
|
|
|
|
|
|
|
|
|
|
|
|
|
|
|
Δ化工安全与环保 |
|
|
|
|
|
|
|
M |
|
|
L |
|
|
|
|
H |
|
|
L |
|
|
|
|
|
|
|
|
|
|
|
|
|
|
|
|
|
|
环境法学 |
|
|
|
|
|
|
|
|
|
|
|
|
|
|
M |
|
|
|
|
|
|
|
|
|
|
|
|
|
|
|
|
|
|
|
|
|
|
绿色化学 |
|
|
|
L |
|
|
|
|
|
|
M |
|
|
|
|
|
|
|
|
|
|
|
|
|
|
|
|
|
|
|
|
|
|
|
|
|
|
Δ仪器分析 |
|
|
|
|
|
L |
|
|
|
|
|
|
|
|
M |
|
M |
|
|
|
|
|
|
|
|
|
|
|
|
|
|
|
|
|
|
|
|
Δ生物化学 |
|
|
|
|
|
|
|
|
M |
|
|
|
|
|
|
|
|
|
|
|
H |
|
|
|
|
|
|
|
|
|
|
|
|
|
|
|
|
环境专业实验 |
|
|
|
|
|
|
|
M |
|
|
|
M |
|
|
|
H |
|
|
M |
|
|
|
|
|
|
|
|
|
|
|
|
|
|
|
|
|
|
军训实践与入学教育 |
|
|
|
|
|
|
|
|
|
|
|
|
|
|
|
|
|
|
|
|
|
|
|
|
|
H |
M |
|
|
|
|
|
|
|
|
|
|
金工实习 |
|
|
|
|
|
|
|
|
|
|
|
M |
|
|
|
|
|
|
|
|
|
|
|
|
|
|
L |
|
|
M |
|
|
|
|
|
|
|
劳动实践 |
|
|
|
|
|
|
|
|
|
|
|
|
|
|
|
|
|
|
|
|
|
L |
|
|
|
|
M |
H |
|
|
|
|
|
|
|
|
|
S认识实习 |
|
|
|
|
|
|
|
|
|
|
M |
|
|
|
|
|
|
|
|
M |
|
|
|
|
|
|
H |
|
|
|
|
|
|
H |
|
|
|
S专业实习 |
|
|
|
|
|
|
|
|
|
|
H |
|
|
|
|
|
|
|
|
|
H |
|
|
|
|
|
|
|
M |
M |
|
|
H |
|
|
|
|
S毕业实习 |
|
|
|
|
|
|
|
|
|
|
H |
|
|
|
|
|
|
|
|
|
H |
|
|
|
|
|
|
|
M |
M |
|
|
H |
|
|
|
|
水污染控制工程课程设计 |
|
|
|
|
|
|
M |
|
|
|
|
M |
|
|
|
|
|
L |
|
|
|
|
|
|
|
H |
|
H |
|
|
|
|
L |
|
|
|
|
环境仿真综合实训 |
|
|
|
L |
|
|
|
|
|
|
|
|
|
|
|
|
|
H |
|
|
|
|
|
|
|
|
|
|
|
|
|
|
|
|
|
|
|
毕业设计(论文) |
M |
|
|
|
|
|
|
|
|
|
|
|
|
|
|
|
|
M |
|
|
|
|
|
|
|
|
|
|
|
H |
M |
|
|
|
H |
|
M |